+7 (343) 213-22-11

e-ural@mail.ru

Производство высоковольтного оборудования

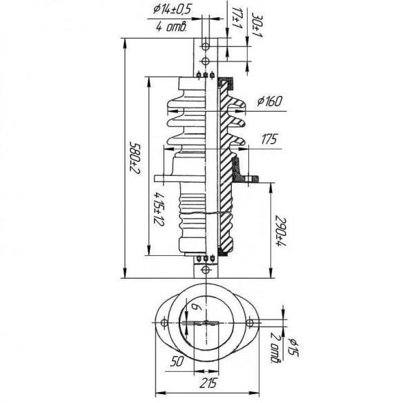
Изолятор ИПУ-10/630-7,5 I УХЛ1

Изолятор ИПУ-10/630-7,5 I УХЛ 1 овальный фланец

Изолятор проходной керамический ИПУ-10/630-7,5 I УХЛ 1 предназначен для изоляции и проведения токоведущих частей закрытых распределительных устройств, для соединения с открытыми распределительными устройствами или с линиями электропередач на переменное напряжение до 10 кВ, как для работы в атмосфере, так и для закрытых токопроводов.

Структура условного обозначения

  • И – изолятор
  • П – проходной
  • У – усиленное исполнение
  • 10 – номинальное напряжение, кВ
  • 630 – номинальный ток, А
  • 7,5 – минимальная механическая разрушающая сила на изгиб, кН
  • I – конструктивное исполнение (овальный фланец)
  • УХЛ – климатическое исполнение по ГОСТ 15150-69
  • 1 – категория размещения по ГОСТ 15543.1-89

Устройство и принцип действия

Проходной изолятор состоит из фарфоровой детали, внутри которой проходит токоведущая металлическая шина или группа шин, шина крепится в металлических колпаках. Для крепления изолятора имеется металлический фланец, который непосредственно соединен с самой фарфоровой деталью.
Изолятор проходной армированный изготовлен по ГОСТ 22229-83, ГОСТ 20454-85.
Материал изоляционной части - электротехнический фарфор подгруппы 110 ГОСТ 20419-83 и соответствует требованиям ГОСТ 5862-79.
Арматура изолятора изготавливается из алюминиевых сплавов ГОСТ 1583-93.
Токоведущая шина изолятора изготавливается из алюминия или алюминиевых сплавов ГОСТ 15176-89.
Контактные выводы изоляторов должны обеспечивать присоединение к ним шин распределительных устройств, проводов, кабелей при помощи болтов ГОСТ 15176-89.
Крепежные детали для изоляторов изготавливаются из коррозийно-стойкого материала ГОСТ 17412.
Покрытие арматуры и цементных швов - эмаль ПФ-115 ГОСТ 6465-76, толщина шва должна быть не менее 2 мм.
Герметизация шины в колпаке - эпоксидная эмаль ЭД-16 ГОСТ 10587-84.

.

 

Технические характеристики

Наименование

Единица измерения

Значение

Номинальное напряжение

кВ

10

Номинальный ток

А

630

Испытательное напряжение грозового импульса

кВ

80

Минимальная разрушающая сила на изгиб

кН

7,5

Длина утечки пути

мм

300

Масса

кг

8,5

 

Условия эксплуатации

  • номинальные значения климатических факторов среды по ГОСТ 15150-69 и ГОСТ 15543-70 для проходных изоляторов - согласно климатическому исполнению УХЛ категории размещения 1
  • высота установки над уровнем моря - не более 1000 м
  • температура окружающей среды -60...+40°С
  • окружающая среда - невзрывоопасная, не содержащая агрессивных газов и паров в концентрациях, разрушающих фарфор, глазурь, арматуру и армирующую связку
  • фарфор не должен иметь сколов и волосяных трещин на глазури

Вернуться к разделу