+7 (343) 213-22-11

e-ural@mail.ru

Производство высоковольтного оборудования

Разъединитель серии РВФЗ

Характеристики
Серия РВ
Номинальный ток, А 630
Наличие товара В наличии

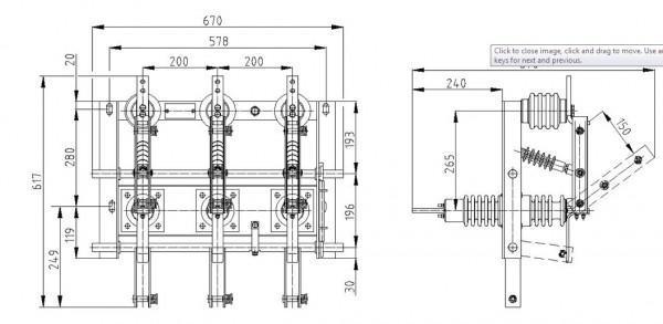
Разъединитель РВФЗ-10/630

Разъединитель внутренней установки РВФЗ-10/630 предназначен для многократных включений и отключений обесточенных участков цепи до 10 кВ, для изменения схемы соединения, для безопасного производства работ на отключенном участке. Разъединитель РВФЗ используется в шкафах комплектных распределительных устройств, камерах КСО, комплектных трансформаторных подстанциях.

Структура условного обозначения разъединителя РВФЗ-10/630

  • Р - разъединитель
  • В - внутренней установки
  • Ф - фигурные проходные изоляторы
  • З - с заземляющими ножами
  • 10 - номинальное напряжение, кВ
  • 630 - номинальный ток, А
  • исп.I-II- конструктивное исполнение (проходные изоляторы расположены со стороны шарнирных контактов, заземляющие ножи - со стороны разъемных контактов)
  • исп.II-II -конструктивное исполнение (проходные изоляторы и заземляющие ножи расположены со стороны шарнирных контактов)
  • исп.III - конструктивное исполнение (заземляющие ножи расположены с двух сторон, проходные изоляторы со стороны разъемных контактов)
  • исп.IV - конструктивное исполнение (фигурные проходные изоляторы расположены с двух сторон)

 

Описание разъединителя РВФЗ-10/630

Разъединитель серии РВФЗ является трехполюсным коммутационным аппаратом, представляющий собой три токопровода, установленных на одной раме, с общим валом и приводным рычагом. Одновременное включение или отключение трех контактных ножей происходит при вращении вала с помощью привода. Рама разъединителя представляет собой сварную конструкцию, которая допускает демонтаж валов с заземляющими ножами, в случае их ремонта или замены. В конструкции разъединителей с заземляющими ножами предусмотрена механическая блокировка между валом контактных ножей и валом заземляющих ножей, которая исключает одновременное включение контактных и заземляющих ножей. Разъединители РВФЗ по конструкции, принципу действия и назначению аналогичны разъединителям РВФ и РВЗ, а отличаются наличием проходных изоляторов со стороны шарнирных или разъемных контактов

Технические данные разъединителя РВФЗ-10/630

Наименование

Единица измерения

Значение

Номинальное напряжение

кВ

10

Наибольшее рабочее напряжение

кВ

12

Номинальный ток

А

630

Ток термической стойкости

кА

20

Ток электродинамической стойкости

кА

51

Время протекания тока термической стойкости:

для главных ножей

с

3

для заземляющих ножей

с

1

Масса, не более

кг

43

Вернуться к разделу