+7 (343) 213-22-11

e-ural@mail.ru

Производство высоковольтного оборудования

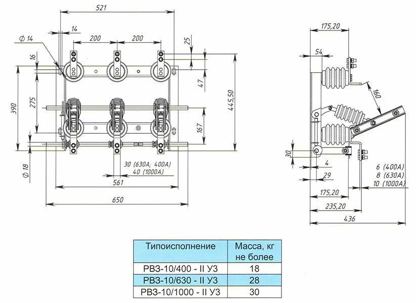
Разъединитель серии РВЗ

Характеристики
Серия РВ
Номинальный ток, А 630
Наличие товара В наличии

Разъединитель РВЗ-10/630 УХЛ2 с приводом ПР-10

Разъединитель внутренней установки с заземляющим ножом РВЗ-10/630 предназначен для многократных включений и отключений без нагрузки участков цепей трехфазного тока напряжением 6 (10) кВ, частотой 50 Гц, а также заземления отключенных участков при помощи ножей заземления.

Разъединитель РВЗ-10/630 устанавливается в комплектных трансформаторных подстанциях (КТП), камерах одностороннего обслуживания (КСО), комплектных распределительных устройствах (КРУ).

Описание разъединителя РВЗ-10/630 УХЛ2

Разъединитель серии РВЗ является трехполюсным коммутационным аппаратом вертикально-рубящего типа и состоит из:

  • рамы с изоляторами
  • контактов токоведущей системы
  • одного или двух заземляющих ножей
  • ручного привода
  • Изготовленные из медной шины неподвижные контакты (разъемного соединения и неразъемного шарнирного соединения) смонтированы на изоляторах, установленных на раме разъединителя. Также на раме установлен приводной вал, заземляющий нож и другие элементы разъединителя.
  • Подвижные контактные ножи соединены с неподвижными контактами через шарнирное соединение.
  • Необходимое контактное усилие в шарнирном и разъемном контактном соединении достигается за счет установленных пружин.
  • Подвижные контактные ножи приводятся в действие установленным на раме разъединителя приводным валом через рычаги и тяговые изоляторы.
  • Внешние кабели крепятся с помощью болтовых соединений к неподвижным контактам.
  • Разъединитель РВЗ отличается от разъединителя РВ наличием одного (со стороны шины с шарнирным соединением) либо двух (со стороны шины с шарнирным соединением и шины с разъемным соединением).
  • Заземляющий нож крепится к раме разъединителя болтовым соединением. Конструкция разъединителя позволяет Заказчику самостоятельно снимать или добавлять ножи заземления. Также Заказчик может отдельно доукомплектовать разъединитель РВ одним или двумя ножами заземления.
  • Разъединители серии РВЗ снабжены блокирующим устройством, исключающим возможность включения заземляющих ножей при замкнутых рабочих ножах, а также исключающих возможность включения рабочих ножей при замкнутых ножах заземления.
  • Включение и отключение разъединителя и заземляющих ножей производится ручным приводом типа ПР-10.
  • В ручном рычажном приводе ПР-10 предусмотрена возможность его фиксации во включенном и отключенном положении.
  • Для блокировки привода применяется механический блок-замок типа 31М или 32М либо электромагнитный блок-замок ЗБ-1.

Структура условного обозначения разъединителя РВЗ-1-10/630 УХЛ2

  • Р - разъединитель
  • В - внутренней установки
  • З - с заземляющими ножами
  • 1 - количество заземляющих ножей
  • 10 - номинальное напряжение, кВ
  • 630 - номинальный ток, А
  • УХЛ - климатическое исполнение по ГОСТ 15150-69
  • 2 - категория размещения по ГОСТ 15543.1-89
  • Технические данные разъединителя РВЗ-10/630 УХЛ2

Наименование

Единица измерения

Значение

Номинальное напряжение

кВ

6...10

Наибольшее рабочее напряжение

кВ

12

Номинальный ток

А

630

Ток термической стойкости

кА

20

Ток электродинамической стойкости

кА

51

Время протекания тока термической стойкости

с

3

Наибольшее усилие, прикладываемое к приводу, не более

Н

250

Межфазовое расстояние

мм

200 (250)

Габаритные размеры (Длина х Ширина х Высота)

мм

530х650х250(420)

Масса, не более

кг

29

Вернуться к разделу